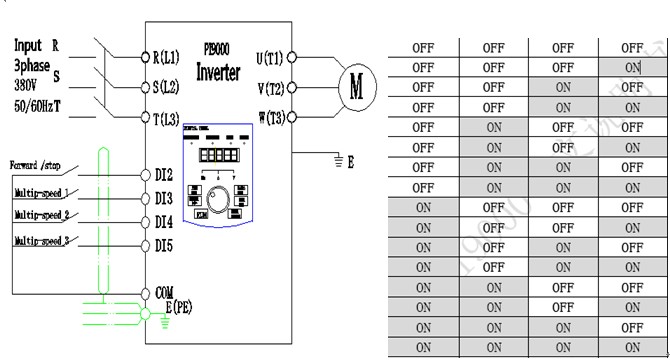
1.spin-drier drive
spin-drier include with segregating unit and centrifugal machine, directly drive with AC asynchronous motor, feedstock with low speed, to dehydrate with a high speed; widespread used in papermaking, dyeing and finishing, Food Safe, refine sugar, chemical industry etc.The modernization spin-drier need different dehydrate speed in different material,so the speed must be adjustable, to meet the craft need .in the past, it widespread use high-low motor to control, feedstock with low speed, use another motor for high-speed drive, Mechanical-Brake when the speed slow down, which drive system Complexly, high failure rate.Because the high-speed motor is large capacity and heavy inertance of the dewatering tank,The start current is often so big and keep long time that the running rate is too low and the frequency is can’t change.

2.the feature of the PI9000 sensorless vector VFD
· At the moment, single motor was control by inverter, feedstock with low speed, to dehydrate with a high speed; but if the VFD use V/F control, it maybe lead to mechanical resonance and lack of torque in a low speed. The PI9000 sensorless vector VFD can asynchronous motor parameter static auto tuning, output rate torque, can effective solve the problem which common inverter is lack of torque in a low speed and mechanical resonance widely frequency adjustment 0-400HZ,150% output torque in a low speed,directly drive, low mechanical resonance,high running rate and low after-sale service
3. PI9000 sensorless vector VFD application in spin-drier parameters set
Parameter code |
Function introduce |
Parameter value |
U0.01 |
Motor control manner |
1 |
U1.00 |
Motor type selection |
1 |
U6.10 |
Stop mode |
1 |
U0.04 |
Frequency source auxiliary setting |
6 |
UC.00 |
0-stage speed setting 0X |
20 |
UC.01 |
1-stage speed setting 1X |
50 |
UC.02 |
2-stage speed setting 2X |
65 |
UC.03 |
3-stage speed setting 3X |
80 |
UC.04 |
4-stage speed setting 4X |
100 |
U0.02 |
Command source selection |
1 |
U4.00 |
DI1 terminal function selection |
12 |
U4.01 |
DI2 terminal function selection |
13 |
U4.02 |
DI3 terminal function selection |
14 |
U4.03 |
DI4 terminal function selection |
15 |
UC.19,UC.21,UC.23 |
0,1,2 stage ac/deceleration time selection |
3 |
UC.18,UC20,UC22 |
0,1,2stage running time T0 |
|