世界性(xing)的(de)(de)環境污染和(he)(he)能(neng)源(yuan)(yuan)短(duan)缺已經迫使人(ren)們(men)更加努力(li)的(de)(de)尋(xun)找和(he)(he)開發新能(neng)源(yuan)(yuan)。在尋(xun)找和(he)(he)開發新能(neng)源(yuan)(yuan)的(de)(de)過程(cheng)中,人(ren)們(men)很自然的(de)(de)把(ba)目光投(tou)向了各種(zhong)可再生(sheng)的(de)(de)替代能(neng)源(yuan)(yuan)。風(feng)能(neng)、核電(dian)、水電(dian)、太陽能(neng)等(deng),光伏(fu)發電(dian)就(jiu)是其中之一。雖然光伏(fu)發電(dian)的(de)(de)實際應用存在著(zhu)種(zhong)種(zhong)的(de)(de)局限(xian),但(dan)是隨著(zhu)光伏(fu)發電(dian)成(cheng)本的(de)(de)降低(di)和(he)(he)礦物發電(dian)成(cheng)本的(de)(de)提(ti)高以及礦物能(neng)源(yuan)(yuan)的(de)(de)減少,光伏(fu)發電(dian)逐步進入商業(ye)化階段(duan)。
一、光(guang)伏(fu)發電的基本原理
太陽能電池主(zhu)要使用(yong)單晶硅(gui)為(wei)材料。用(yong)單晶硅(gui)做成類似(si)二極管中的p-n結,工(gong)作原理和二極管(guan)類(lei)似。只不過在二極管(guan)中(zhong),推(tui)動(dong)p-n結空穴(xue)和(he)電子運動的是外部(bu)電場(chang),而在太陽能電池中推動和(he)影響p-n結空穴(xue)和電(dian)子(zi)運動(dong)的是太陽光子(zi)和光輻(fu)射熱(re)(*)。也就(jiu)是(shi)通常所說的(de)光生伏(fu)特效(xiao)應原(yuan)理。目前光電轉換的(de)效(xiao)率(lv),也就(jiu)是(shi)光伏(fu)電池效(xiao)率(lv)大約是(shi)單晶硅13%-15%,多晶硅(gui)11%-13%.目前最新的(de)技術還包括光伏薄(bo)膜(mo)電池。
二、太陽能(neng)光(guang)伏發電系統的(de)分類
目前(qian)太陽能光伏發電系(xi)統大致可分(fen)為三類(lei),離網(wang)光伏蓄(xu)電系(xi)統,光伏并網(wang)發電系(xi)統及前(qian)兩者混合系(xi)統。離網(wang)光伏蓄(xu)電系(xi)統,這(zhe)是一(yi)種(zhong)常(chang)見的太陽能(neng)應用(yong)(yong)方式。在國(guo)內外應用(yong)(yong)已有若干年。系統(tong)比(bi)較簡單,而且(qie)適應性(xing)廣。只因其(qi)一(yi)系列種(zhong)類(lei)蓄電(dian)池的體積偏大和(he)維(wei)護(hu)困難而限(xian)制了使用(yong)(yong)范(fan)圍(wei)。
三、太陽能光伏(fu)系統(tong)的(de)組成
1.太陽能光伏電(dian)池(太陽能基板):實現光電(dian)轉換
2.蓄(xu)電(dian)(dian)池:蓄(xu)電(dian)(dian)池是光(guang)伏發電(dian)(dian)系(xi)統中的(de)(de)關鍵部件,用(yong)(yong)于(yu)存儲從(cong)光(guang)伏電(dian)(dian)池轉換(huan)來的(de)(de)電(dian)(dian)力。目(mu)前我國還沒(mei)有用(yong)(yong)于(yu)光(guang)伏系(xi)統的(de)(de)專(zhuan)用(yong)(yong)蓄(xu)電(dian)(dian)池,而是使用(yong)(yong)常規的(de)(de)鉛酸蓄(xu)電(dian)(dian)池。
3.直流逆變器:它的(de)功能是實現直流電到交流電的(de)轉(zhuan)換,因此(ci)這個部件最重要的(de)指標(biao)是可靠性和轉換(huan)效率。通過(guo)交流(liu)逆(ni)變器(qi)轉換(huan)的(de)交流(liu)電最大限度地把光伏(fu)電池轉換(huan)的(de)電能送入電網或直接供給用電設備使用。
四、光(guang)伏水泵系(xi)統(tong)的(de)介紹
光(guang)伏系統示意(yi)圖
光伏水(shui)泵系(xi)(xi)(xi)統是一個比較典型(xing)的光、機、電(dian)(dian)一體化(hua)系(xi)(xi)(xi)統,它利用太陽電(dian)(dian)池將太陽能(neng)直接轉換(huan)為(wei)電(dian)(dian)能(neng),再通(tong)過逆(ni)變環節(jie)轉換(huan)成交流電(dian)(dian),驅(qu)動(dong)交流異步(bu)電(dian)(dian)機帶(dai)動(dong)水(shui)泵,從深井、江、河、湖、塘等水(shui)源地取水(shui)來進行使用。該系(xi)(xi)(xi)統廣(guang)泛沙漠治(zhi)理、居民生(sheng)活、農(nong)業灌溉、綠化澆灌、草原(yuan)畜牧、景區噴泉、水處理工程(cheng)等。光伏水泵系統具有如(ru)下特點(dian):
1.光(guang)伏水(shui)泵(beng)系(xi)統屬于全自動(dong)運(yun)行,無須人工值守,系(xi)統由光(guang)伏電池(chi)(太(tai)陽能基板)、蓄(xu)電池(chi)(根據客戶需(xu)求)、光(guang)伏專用變(bian)頻器、水(shui)泵(beng)、儲水(shui)裝置(zhi)等組成。
2. 采用(yong)光(guang)伏水泵(beng)專用(yong)變(bian)頻(pin)器(qi),根據日(ri)照強度的(de)變(bian)化調節水泵(beng)轉速(su),使輸(shu)出(chu)功率(lv)接近太陽電池陣列的(de)最大功率(lv);當(dang)日(ri)照很充足(zu)時,保(bao)證水泵(beng)的(de)轉速(su)不超(chao)過額定轉速(su);當(dang)日(ri)照不足(zu)時,根據設定最低(di)運(yun)行(xing)(xing)頻(pin)率(lv)是否(fou)滿(man)足(zu),否(fou)則自動停止運(yun)行(xing)(xing)。
3. 水(shui)(shui)泵(beng)由三相交流電機驅動,從深井中抽水(shui)(shui),注入蓄(xu)水(shui)(shui)箱/池(chi),或直接(jie)接(jie)入灌溉(gai)系統。根據(ju)實(shi)際系統需求(qiu)和安裝條(tiao)件,可采用(yong)不(bu)同類型(xing)的水(shui)(shui)泵(beng)進行(xing)工作。
4. 可(ke)以根據地區、客戶(hu)不同需求提(ti)供(gong)經濟有效(xiao)的解(jie)決方案(an)。
五(wu)、PI9000-S系(xi)列變頻器的特點及應用(yong)
1. PI9000-S系(xi)列變頻(pin)器(qi)的特點
PI9000-S系(xi)列(lie)變頻(pin)器是普傳科技根據光伏逆(ni)變的(de)特(te)點(dian),經過反復的(de)現場試驗開(kai)發出來的(de)一款(kuan)全新系(xi)列(lie)的(de)產品,目前(qian),已(yi)經廣泛的(de)應用在亞洲(zhou)、非(fei)洲(zhou)、南美的(de)赤道附件的(de)幾十個(ge)國家(jia)和(he)地(di)區,其(qi)優良的(de)性能和(he)穩(wen)定可靠的(de)運行得到客(ke)戶的(de)一致(zhi)好評。該產品特(te)點(dian)如(ru)下:
(1)內置高精度光伏陣列最大功(gong)率(lv)點(dian)跟蹤MPPT系統,智能追(zhui)蹤最大功(gong)率(lv)點(dian),響應快, 穩定性高,效率(lv)高。
(2)干運行狀態檢測、處理
(3)蓄(xu)水(shui)(shui)池水(shui)(shui)位控制
(4)光照不足時,結(jie)合(he)外圍器件能(neng)夠實現(xian)與市電自動(dong)切換,保證(zheng)系統可(ke)靠性;
(5)寬電壓適應范圍,更好適應戶(hu)外環境;
(6)LED顯示實時系統(tong)狀態與參(can)數,基于RS485的實時遠程(cheng)監(jian)控系統(tong)
(7)快速安裝設計,無需額外維護;
(8)內置(zhi)全方(fang)位保護及診(zhen)斷機制。
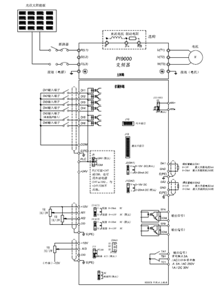
2. PI9000-S系列(lie)變頻(pin)器接線圖及(ji)太陽能基板選配
主回路(lu)接(jie)線(xian)圖(tu)
PI9000-S 7.5kW及以下光伏水(shui)泵專(zhuan)用(yong)變(bian)頻(pin)器接線圖(tu)
太陽能(neng)基板(ban)選配(pei)
3. PI9000-S系列變頻器在國外現場的應用(yong)
埃及干(gan)燥少雨(yu),氣候干(gan)熱(re),三(san)分(fen)之(zhi)一(yi)以上的職業人(ren)口從事(shi)農業。全國可耕地(di)(di)面積(ji)為310萬公頃,約占國土(tu)總(zong)面積(ji)的3.7% ,絕大部(bu)分(fen)為灌溉(gai)地(di)(di),是(shi)非洲單位面積(ji)產量(liang)最高的國家。農業在埃及國民經濟中占有重要的地(di)(di)位,但埃及面臨著嚴(yan)重的(de)灌溉(gai)用水短缺問題,諸如(ru)降(jiang)雨分布(bu)不均,干(gan)旱(han)反復出現,而(er)且灌溉(gai)用電與柴油資(zi)源尤為緊缺。但得天獨厚的(de)地理條件(jian)賦予了埃及豐富的(de)太陽(yang)能資(zi)源,隨著光(guang)伏組件(jian)的(de)成本降(jiang)低(di),埃及農業(ye)光(guang)伏灌溉(gai)趨勢明顯,利用太陽(yang)能清潔能源的(de)步伐正在進一步加快。
普傳科技(ji)的(de)PI9000-S系列光伏水泵專(zhuan)用變頻器推出后,很快(kuai)在(zai)當地得到了應用,一直穩定可靠地工作著(zhu),獲得客戶的(de)贊賞(shang),使用一年后,為用戶節約(yue)了60%的成(cheng)本。
六(liu)、光伏發電的優(you)點
1.充分的(de)清潔性。(如(ru)果采用蓄電(dian)池(chi)方案,要考慮對廢舊蓄電(dian)池(chi)的(de)處理)
2.絕對的安全性(xing)。
3.相對的廣泛性。
4.確實的(de)長壽命(ming)和免維護性。
5.資源(yuan)的充足性(xing)(xing)及潛在的經(jing)濟(ji)性(xing)(xing)等。
七(qi)、光(guang)伏發電缺點
1.時間周期(qi)局限。
2.地理(li)位置局限。
3.氣象條(tiao)件(jian)局限。
4.容(rong)量傳輸局限。
5.光(guang)能轉換效率偏低。
八、影(ying)響光伏水泵系(xi)統工作的幾(ji)大因素
1.光伏電池的電壓和容量
2.光照(zhao)的強(qiang)度
3.光伏(fu)電(dian)池(太陽(yang)能基板(ban))表面的清潔度
4.環境溫度
九、總結
光伏水(shui)(shui)泵(beng)系統(tong)利用(yong)(yong)太陽的(de)持久(jiu)能(neng)(neng)源,日出而作、日入而息,無需人(ren)員看管(guan)、無需化石能(neng)(neng)源、獨立運(yun)行、也可(ke)根(gen)據需求配合(he)電網使用(yong)(yong),安全可(ke)靠。在無需任何外(wai)來能(neng)(neng)源的(de)情況下(xia)可(ke)以機動靈活應用(yong)(yong)于(yu)農田灌(guan)溉(gai)、人(ren)畜飲水(shui)(shui)、庭院發展、園區美化、構造彩色噴泉、養殖業(ye)增氧、海濱鹽場供排水(shui)(shui)等,有效(xiao)解決耕地灌(guan)溉(gai)問題,提高產(chan)量,節(jie)水(shui)(shui)節(jie)能(neng)(neng),大幅降(jiang)低傳統(tong)能(neng)(neng)源、電力的(de)投入。具(ju)有壽命長、功耗低、噪音小(xiao)、調速平衡、運(yun)行穩定(ding)、無干擾等優點。
因此光伏水(shui)泵系統成為(wei)利用清潔能源(yuan)(yuan)替代(dai)化(hua)石能源(yuan)(yuan)的最有效方(fang)式,成為(wei)全球(qiu)“糧食問(wen)(wen)題”、“能源(yuan)(yuan)問(wen)(wen)題”綜合解決(jue)方(fang)案中(zhong)新(xin)(xin)能源(yuan)(yuan)、新(xin)(xin)技術重要產品。