前言
電動(dong)葫(hu)蘆是一種(zhong)特種(zhong)起(qi)重設備,安裝在天車、龍(long)門吊之上,電動(dong)葫(hu)蘆具有體積小,自重輕,操作簡單,使(shi)用(yong)方便等特點,用(yong)于(yu)工礦(kuang)企業(ye),倉儲,碼頭等場所。每(mei)個電動(dong)葫(hu)蘆有兩(liang)臺電機(ji)分別控(kong)制主鉤和(he)行車,通常是使(shi)用(yong)兩(liang)臺變頻(pin)器分別控(kong)制起(qi)停調速(su)。
1.主鉤(gou)起(qi)升電機(ji)采用較大起(qi)動(dong)(dong)力矩錐(zhui)形轉子制動(dong)(dong)異步電動(dong)(dong)機(ji),無須外加制動(dong)(dong)器。電機(ji)負(fu)載持續率(lv)為(wei)25%
2.行車一般采用普通的三(san)相(xiang)異步電動(dong)機(ji)
原理(li)
錐(zhui)形(xing)轉(zhuan)子電(dian)動(dong)(dong)(dong)(dong)機(ji)定(ding)子內腔和轉(zhuan)子外(wai)形(xing)都成錐(zhui)形(xing),其錐(zhui)形(xing)制(zhi)(zhi)(zhi)動(dong)(dong)(dong)(dong)環鑲嵌于(yu)風(feng)扇(shan)制(zhi)(zhi)(zhi)動(dong)(dong)(dong)(dong)輪上,靜制(zhi)(zhi)(zhi)動(dong)(dong)(dong)(dong)環鑲在后端蓋上,定(ding)子通電(dian)后,產(chan)生旋(xuan)轉(zhuan)磁(ci)(ci)場(chang),同(tong)時產(chan)生軸向磁(ci)(ci)拉(la)力,使轉(zhuan)子軸向移動(dong)(dong)(dong)(dong)并壓縮彈(dan)簧(huang),使風(feng)扇(shan)制(zhi)(zhi)(zhi)動(dong)(dong)(dong)(dong)輪上的錐(zhui)形(xing)環與靜制(zhi)(zhi)(zhi)動(dong)(dong)(dong)(dong)環離開(kai),轉(zhuan)子開(kai)始轉(zhuan)動(dong)(dong)(dong)(dong),定(ding)子斷電(dian)后,軸向磁(ci)(ci)拉(la)力消失,轉(zhuan)子在彈(dan)簧(huang)的作用下(xia),連(lian)同(tong)風(feng)扇(shan)制(zhi)(zhi)(zhi)動(dong)(dong)(dong)(dong)輪一(yi)起(qi)復(fu)位(wei),使動(dong)(dong)(dong)(dong)靜制(zhi)(zhi)(zhi)動(dong)(dong)(dong)(dong)環接觸,產(chan)生摩擦力矩,迫使電(dian)動(dong)(dong)(dong)(dong)機(ji)立即(ji)停轉(zhuan)。
現場狀(zhuang)況及技術要求
1.現場為電動(dong)葫蘆(lu)配(pei)套,主(zhu)鉤電機(ji)為4.5kw,行走電(dian)機為0.64KW
2.現場要求使用一臺變頻器分別(bie)控制兩(liang)臺電機。
葫蘆行走小車電機
電機類(lei)型 |
電制動三相異步(bu)電動機(2級(ji)電機(ji)) |
型號 |
ZFL15/G80F/4D71b-4-B |
電機(ji)功率 |
0.64KW |
電機額(e)定電壓 |
380V |
電機(ji)額(e)定電流 |
1.8A |
電機額定頻率 |
87HZ |
電機額(e)定轉(zhuan)速 |
2490r/min |
葫蘆主勾電機
電(dian)機類型 |
起重專用三相異步電動機(ji)(4級電機) |
型號 |
DTE112MIDV-4P-3X-H-2 |
電機功(gong)率(lv) |
4.5KW |
電機(ji)額(e)定電壓 |
380V |
電機額定電流 |
9.8A |
電機額定頻率 |
50HZ |
電(dian)機額(e)定轉速 |
1410r/min |
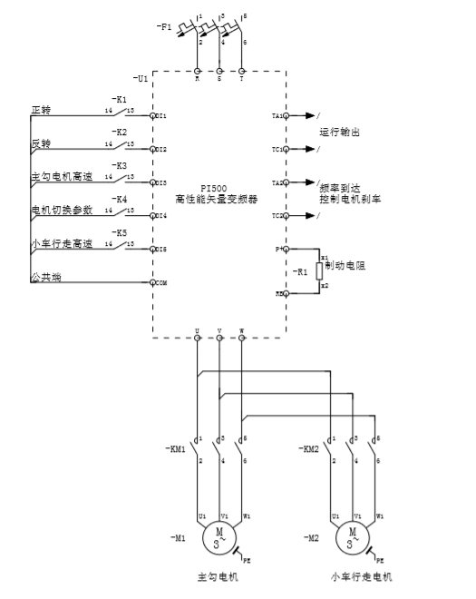
1.現場使用(yong)PI500 7R5G3變頻器一臺(專(zhuan)用軟(ruan)件),用于控制(zhi)兩臺電機(ji)
2.KM1/KM2用(yong)于切(qie)換(huan)兩臺電機
3.K4(DI4)用于兩組(zu)電(dian)機參(can)數的切(qie)換,閉合時切(qie)換到行車電(dian)機參(can)數,斷開時切(qie)換到主鉤參(can)數
4.現場變頻器配置制動電阻75歐/780W
接線圖
柜內圖片
產品特點:
普(pu)傳科技PI500系列變頻(pin)器具有以下顯(xian)著特(te)點:
·啟動(dong)電流小、轉(zhuan)矩大、對電網無沖擊;
·調速系統動態響應快(kuai)、損耗小(xiao)、效率高;
·設備安(an)裝(zhuang)調試簡便;
·減小噪聲、降(jiang)低電機溫升,以(yi)保護電機;
·內置(zhi)制(zhi)(zhi)動單元,可配外部制(zhi)(zhi)動電阻,非常適合于頻繁制(zhi)(zhi)動的(de)場(chang)合;
·有(you)專門適用(yong)于(yu)錐形電機的(de)控制參數,無需另外(wai)增加設備;
·變頻器輸出端可(ke)連(lian)接切換用的接觸器。