摘要:本文針對大(da)連普傳科技PI500系列變頻(pin)器在(zai)礦山破(po)碎(sui)機上的應用作了(le)簡單的介(jie)紹。控制(zhi)系(xi)統集成變頻技術(shu)、控制技術(shu)為(wei)一體,充分發揮普傳科技PI500系列(lie)變頻(pin)器(qi)卓(zhuo)越(yue)的控(kong)制性能,很好地滿足破碎機大起動力(li)矩(ju)、高速(su)度精度等要求,使破碎設備運(yun)行性能顯(xian)著提(ti)高。
關(guan)鍵詞:PI500;共直流(liu)母線;破碎機
一、序(xu)言
破(po)(po)碎(sui)機(ji)(ji)(ji)廣泛運用于(yu)礦山、冶煉、建材(cai)、公(gong)路(lu)、鐵路(lu)、水(shui)利(li)和化學工業(ye)等行業(ye)。目前常用碎(sui)石(shi)機(ji)(ji)(ji)械有鄂式(shi)(shi)破(po)(po)碎(sui)機(ji)(ji)(ji)、反擊式(shi)(shi)破(po)(po)碎(sui)機(ji)(ji)(ji)、風(feng)選式(shi)(shi)粉碎(sui)機(ji)(ji)(ji)、錘式(shi)(shi)破(po)(po)碎(sui)機(ji)(ji)(ji)、沖擊式(shi)(shi)破(po)(po)碎(sui)機(ji)(ji)(ji)、輥式(shi)(shi)破(po)(po)碎(sui)機(ji)(ji)(ji)、復合(he)式(shi)(shi)破(po)(po)碎(sui)機(ji)(ji)(ji)等。
破碎機費用(yong)在(zai)選礦廠(chang)(chang)中的(de)消(xiao)耗比較高,一般占選礦廠(chang)(chang)總成本(ben)的(de)40%~60%,因此,提高破(po)碎機的生產效(xiao)率(lv),降低單位能(neng)耗,減少成本,采用高效(xiao)節能(neng)破(po)碎設(she)備是礦山(shan)的主(zhu)要手段。
二、破(po)碎(sui)機變頻改造的必要性
此(ci)臺破碎機由兩(liang)臺200kw的(de)異步電(dian)(dian)機(ji)通過(guo)皮(pi)帶連接(jie)拖動同一個(ge)轉子(zi)軸,原控制系統(tong)采(cai)用星(xing)三角起動,工(gong)頻運行,起動沖(chong)(chong)擊電(dian)(dian)流大(da)(da)(da),容易引起電(dian)(dian)網波動,同時造(zao)(zao)成了很大(da)(da)(da)的(de)機(ji)械沖(chong)(chong)擊和(he)磨損(sun),導致(zhi)電(dian)(dian)機(ji)的(de)使用壽(shou)命(ming)大(da)(da)(da)大(da)(da)(da)降(jiang)低,維護工(gong)作(zuo)量較(jiao)大(da)(da)(da),直接(jie)影(ying)響了生產效(xiao)率。且原控制系統(tong)的(de)電(dian)(dian)機(ji)一直工(gong)頻運行,無法通過(guo)調(diao)整電(dian)(dian)機(ji)的(de)轉速以(yi)適應不同礦石的(de)破碎要求。針(zhen)對(dui)以(yi)上這些問題,對(dui)原系統(tong)進行變(bian)頻改造(zao)(zao)。
三、PI500變(bian)頻器在錘式破(po)碎機上(shang)的(de)應用
要加(jia)工(gong)的物(wu)料(liao)(liao)先由振動(dong)給料(liao)(liao)機均勻地(di)送(song)到(dao)(dao)顎式破碎(sui)機進行粗(cu)碎(sui),粗(cu)碎(sui)后的物(wu)料(liao)(liao)由輸(shu)(shu)送(song)機送(song)入到(dao)(dao)細碎(sui)機進行進一步破碎(sui),細碎(sui)后的物(wu)料(liao)(liao)被輸(shu)(shu)送(song)到(dao)(dao)振動(dong)篩(shai)進行篩(shai)分(fen),達到(dao)(dao)成品(pin)粒(li)度要求的物(wu)料(liao)(liao)由成品(pin)輸(shu)(shu)送(song)帶輸(shu)(shu)出即為成品(pin);未達到(dao)(dao)成品(pin)粒(li)度要求的物(wu)料(liao)(liao)從振動(dong)篩(shai)返回細碎(sui)機重新加(jia)工(gong),形成閉路多次循環。成品(pin)粒(li)度可按(an)用戶的需求進行組合和(he)分(fen)級(ji)。
生產線的流程(cheng)大致為(wei):(料(liao)倉)——給(gei)料(liao)機(ji)——粗碎(顎(e)式破(po)碎機(ji))——細碎(反(fan)擊式破(po)碎機(ji)或錘(chui)式破(po)碎機(ji))——振動(dong)篩(shai)——(成(cheng)品(pin))。
圖(tu)1破碎機應用現場圖片
圖(tu)2 PI500矢量(liang)變(bian)頻器應用現(xian)場近景
(一(yi))項目基本介(jie)紹
項目名稱:破碎機變頻改(gai)造
破碎(sui)機(ji)機(ji)構(gou):200kW變頻電機 2臺(tai) (380V,1470rpm,50Hz,360A)
(二(er))選擇PI500矢量控制(zhi)變頻器的必要性
1、具(ju)有軟起(qi)動(dong)功能,降低(di)電機起(qi)動(dong)電流,可實現電機平(ping)滑起(qi)動(dong),機械沖擊小,減少維(wei)護保養(yang)費用,減小了對(dui)電網(wang)的沖擊;
2、具有(you)精(jing)確(que)的(de)轉速(su)(su)控制能力,用(yong)戶(hu)可(ke)根據材料和所需出料粒度調(diao)節合適的(de)速(su)(su)度,變頻控制破(po)碎(sui)機的(de)輸出力矩隨著負載變化而改變,有(you)效地提(ti)高(gao)效率;
3、節(jie)(jie)(jie)能,根(gen)據所破碎的材料(liao)來調(diao)節(jie)(jie)(jie)電機轉速(su),提高(gao)效率(lv),節(jie)(jie)(jie)約電能;
4、變頻器保(bao)護功(gong)能(neng)齊全,可實現過(guo)壓、過(guo)流、欠壓、過(guo)載、短路等(deng)保(bao)護功(gong)能(neng),確(que)保(bao)電機穩定運行(xing), 并(bing)可減少振動、沖擊及噪音(yin),提供(gong)良好(hao)工作環境等。
(三)變頻器的(de)選型
A、變頻器的選擇(ze)及控制方(fang)案
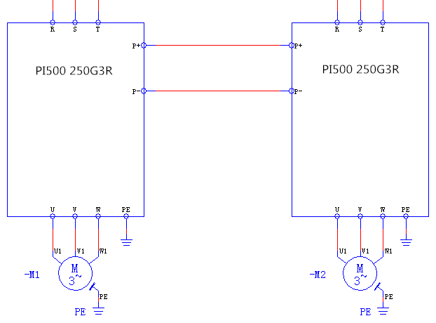
由(you)于破(po)碎(sui)機(ji)負(fu)載不恒定,隨著破(po)碎(sui)對象的(de)大(da)小(xiao)變化、喂料多少負(fu)載跳躍(yue)幅度(du)很大(da),要求變頻器啟動轉矩大(da),過(guo)流(liu)能力強,因此變頻器的(de)功率(lv)選擇上要比電機(ji)大(da)一(yi)檔。本方(fang)案采用兩臺(tai)250kw變頻器帶兩臺200kw電(dian)(dian)機(ji)(ji)(ji),因兩(liang)臺(tai)(tai)(tai)電(dian)(dian)機(ji)(ji)(ji)帶載(zai)同一(yi)個軸,同軸聯(lian)動,要求兩(liang)臺(tai)(tai)(tai)電(dian)(dian)機(ji)(ji)(ji)的轉速(su)(su)保持一(yi)致,對轉速(su)(su)的精度(du)要求較高,若(ruo)兩(liang)臺(tai)(tai)(tai)電(dian)(dian)機(ji)(ji)(ji)轉速(su)(su)不(bu)一(yi)致會出現一(yi)臺(tai)(tai)(tai)電(dian)(dian)機(ji)(ji)(ji)速(su)(su)度(du)快,一(yi)臺(tai)(tai)(tai)速(su)(su)度(du)慢,速(su)(su)度(du)快的電(dian)(dian)機(ji)(ji)(ji)會拖著速(su)(su)度(du)慢的旋(xuan)轉,很(hen)容(rong)易出現過電(dian)(dian)流報(bao)警(jing)(jing),而速(su)(su)度(du)慢的電(dian)(dian)機(ji)(ji)(ji)因存在轉差,使其(qi)處于再生發電(dian)(dian)狀態,導致變頻器出現過電(dian)(dian)壓報(bao)警(jing)(jing);為避免報(bao)警(jing)(jing),此方案中兩(liang)臺(tai)(tai)(tai)PI500 250G3R變頻器通(tong)過外部端子同時啟動,并且(qie)采(cai)用直流(liu)共母(mu)線技術(shu),很好(hao)的解決(jue)了這個問題,變(bian)頻(pin)控制(zhi)系統啟動平穩(wen),運行電流(liu)穩(wen)定(ding)。
根據以上變頻器(qi)(qi)選(xuan)型原則,破碎機變頻改造用的(de)器(qi)(qi)件選(xuan)型清單如下(xia):
機械設備 |
變頻(pin)器 |
數(shu)量(liang) |
破碎(sui)機 |
PI500 250G3R |
2臺 |
表1破碎(sui)機用變(bian)頻器(qi)選型(xing)清單
B、變(bian)頻器端子接線圖
破碎機用(yong)變頻(pin)器的主回(hui)路(lu)及控制回(hui)路(lu)端(duan)子的連接電(dian)路(lu)圖(tu)如下:
圖3 破(po)碎機變頻(pin)改(gai)造原(yuan)理(li)圖
設置起動和停止按鈕各一個。其中用到數字輸入端1、3,繼(ji)電器輸出(chu)1和2。其中輸(shu)入端子DI1定(ding)義為(wei)正(zheng)轉,DI1 與COM接通時,電(dian)動機作正(zheng)轉運行(xing)。按下停(ting)止(zhi)按鈕(niu)時電(dian)機停(ting)止(zhi)運行(xing)。DI3設置為(wei)三線制運行方式(shi)。變頻器中的F1組參數按照(zhao)下(xia)表進行(xing)相對應(ying)的設置。當變頻器發生(sheng)故障時(shi)繼電器輸出1(常(chang)閉)動作(zuo),該(gai)信號控制傳送皮(pi)帶交流(liu)接觸器(qi)的工作(zuo),當有(you)(you)故障發生時,停止(zhi)所有(you)(you)皮(pi)帶機進料機構的動作(zuo)。
(四)參(can)數(shu)設置(zhi)
序(xu)號(hao) |
功能標號 |
功能名(ming)稱(cheng) |
設置值(zhi) |
備注(zhu) |
1 |
F0.11 |
命令源選(xuan)擇(ze) |
1 |
端子臺控制 |
2 |
F1.00 |
DI1端(duan)子功能 |
1 |
正轉 |
3 |
F1.02 |
DI3端子功能(neng) |
3 |
三線制運(yun)行 |
4 |
F1.10 |
端子命令(ling)方(fang)式 |
2 |
三線制運行方式1 |
5 |
F0.13 |
加速時間(jian) |
90s |
實際工藝要求進行設(she)置(zhi) |
6 |
F0.14 |
減速時間 |
90s |
|
7 |
F2.02 |
繼(ji)電器(qi)輸出1 |
2 |
故障輸出 |
8 |
F2.05 |
繼(ji)電器輸出2 |
1 |
變頻器運行 |
9 |
F3.07 |
停車方式 |
1 |
自(zi)由停車 |
表二 PI500變頻器主要(yao)參數(shu)表
四、破碎機(ji)應用PI500變頻調速后的效(xiao)果
破碎機進行變頻改造后(hou)效果良好,具備(bei)以下優點(dian):
1、提高破碎工作效果
變(bian)(bian)頻控制(zhi)系統具有(you)精確的轉(zhuan)速控制(zhi)能力(li),使電機的轉(zhuan)矩輸(shu)出(chu)與負載相匹(pi)配。用戶(hu)可根據材料和(he)所需出(chu)料粒度(du)(du)調節合適的速度(du)(du),變(bian)(bian)頻控制(zhi)破(po)碎機的輸(shu)出(chu)力(li)矩隨著負載變(bian)(bian)化而改變(bian)(bian),有(you)效地提高了工作的效率。
2、節約能源
變(bian)頻器控(kong)制破(po)(po)碎(sui)(sui)機(ji)與傳(chuan)統控(kong)制的(de)破(po)(po)碎(sui)(sui)機(ji)比較(jiao),能(neng)源節(jie)約是最有實(shi)際(ji)意義(yi)的(de)。根據所破(po)(po)碎(sui)(sui)的(de)材料來(lai)調節(jie)電(dian)機(ji)轉(zhuan)速工況是經濟(ji)的(de)運(yun)行狀態(tai)。
3、延長破(po)碎機的使用壽命
變頻器有效的(de)(de)將啟動電(dian)流的(de)(de)峰值(zhi)減少到最低(di)程度,延長破碎(sui)電(dian)機的(de)(de)使用壽(shou)命。
4、防止(zhi)電(dian)機損壞(huai)
變(bian)頻器具有很好的過流(liu)保護功(gong)能(neng),如出現設備卡料(liao)或設備缺潤滑油導致電機負載過重,變(bian)頻器的保護功(gong)能(neng)可(ke)以對電機進行有效保護,防止其過載燒(shao)壞(huai)。
五、結束(shu)語
從PI500系列(lie)變頻器在(zai)該客(ke)戶(hu)破碎機(ji)上的實際應用來看,該變頻器能(neng)平穩調速,控制精確,有效保證破碎機(ji)安全、穩定地運(yun)行,系統生產效率(lv)得(de)到了極(ji)大(da)提高,同(tong)時(shi)方(fang)便(bian)操作,易(yi)于維(wei)護,為客(ke)戶(hu)節約了運(yun)行成本,提高了工作效率(lv),值得(de)廣(guang)泛推廣(guang)和使用。