變頻器解決方案:利(li)用變頻器的(de)調速范圍(wei)寬,機械特性等特點,在(zai)鼓(gu)風(feng)機上應(ying)用了7800系(xi)列(lie)變(bian)頻(pin)(pin)器(qi)。由于變(bian)頻(pin)(pin)器(qi)的(de)(de)(de)(de)(de)軟啟動大(da)大(da)的(de)(de)(de)(de)(de)減小了電機起(qi)動時對電網的(de)(de)(de)(de)(de)沖(chong)擊,而且(qie)在正常運(yun)行的(de)(de)(de)(de)(de)時候(hou),將出氣(qi)閥門開(kai)到最大(da),根據工(gong)藝(yi)和參數(shu)的(de)(de)(de)(de)(de)要(yao)求,適當的(de)(de)(de)(de)(de)調(diao)節(jie)(通過控(kong)制系(xi)統的(de)(de)(de)(de)(de)電位器(qi))電機的(de)(de)(de)(de)(de)轉速來(lai)調(diao)節(jie)管(guan)道(dao)的(de)(de)(de)(de)(de)風量(liang),從(cong)而來(lai)調(diao)節(jie)污水中(zhong)的(de)(de)(de)(de)(de)氧氣(qi)含量(liang)。或根(gen)據溶(rong)解氧(yang)傳感器反饋(kui)的信號( 4~20mA )很方便(bian)的(de)實現閉環自動控制。免去了許多繁瑣的(de)人工操作,并且(qie)具有(you)明顯(xian)的(de)節(jie)電(dian)效果。
圖(一)污水處理(li)池
圖(二)現場控制設備
工(gong)作(zuo)原理(li):污水→格柵→水泵(beng)房→沉砂(sha)池→初沉池→曝氣生物(wu)濾池(鼓風機(ji)將壓縮空(kong)氣通過(guo)管道送入曝(pu)氣池,讓空(kong)氣中的(de)氧(yang)溶解(jie)在污水中供給活性污泥中的(de)微生物。)→二沉(chen)池→處理(li)水排(pai)放
圖(三)控制柜內(nei)視圖
圖(四)控制(zhi)柜操(cao)作面板(ban)
圖(tu)(五)變(bian)頻控制柜
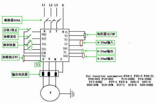
圖(六)變頻控(kong)制柜原(yuan)理(li)圖
相應的參數(shu)設置如下(xia):
F04=1 F05=3 F08=31 F09=80S F10=80S F16=30HZ F13=60HZ F17=60HZ F27=1 F63=4(頻率設定模式切換:手動控制(zhi)與自動控制(zhi))F69中的(de)參數O06=3 O07=9 008=20% 010=20% 017=1 018=8 020=60HZ

